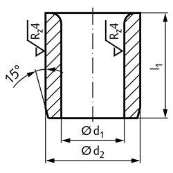
Werkstoff: 1.0718. Gehärtet, innen und außen toleranzhaltig feinbearbeitet.

Bohrbuchsen ähnlich zurückgezogener DIN 179 A. Härte 62±2 HRC (700-800 HV10). Bohrung am Ende gerundet.

Toleranzen: Innendurchmesser F7. Außendurchmesser n6. Aufnahmebohrung: Toleranz H7.

Andere Abmessungen und Ausführungen auf Anfrage.

Service:

Katalogseite



Die angebotenen CAD-Daten, Abbildungen und technischen Zeichnungen werden mit größtmöglicher Sorgfalt erstellt.
Dennoch kann keine Gewährleistung für die Fehlerfreiheit und Genauigkeit dieser Daten übernommen werden.

( freibleibend aus Lagervorrat / kurzfristig lieferbar / Lieferzeit nach Vereinbarung. Bitte fragen Sie nach. )
Artikel Menge d1
[mm]
l1
[mm]
d2
[mm]
Gewicht
[g]
622200606
0,6630,32
622200706
0,7630,31
622200806
0,8630,31
622200906
0,9630,30
622200909
0,9930,45
62220106
1,0630,30
62220109
1,0930,44
622201106
1,1640,55
622201109
1,1940,82
622201206
1,2640,54
622201209
1,2940,81
622201306
1,3640,53
622201309
1,3940,79
622201406
1,4640,52
622201409
1,4940,78
622201506
1,5640,51
622201509
1,5940,76
622201606
1,6640,50
622201609
1,6940,75
622201706
1,7640,48
622201709
1,7940,73
622201806
1,8640,47
622201809
1,8940,71
622201906
1,9650,79
622201909
1,9951,19
62220206
2,0650,78
62220209
2,0951,17
622202106
2,1650,76
622202109
2,1951,14
622202206
2,2650,75
622202209
2,2951,12
622202306
2,3650,73
622202309
2,3951,09
622202406
2,4650,71
622202409
2,4951,07
622202506
2,5650,69
622202509
2,5951,04
622202606
2,6650,67
622202609
2,6951,01
622202708
2,7861,42
622202712
2,71262,12
622202716
2,71662,83
622202808
2,8861,39
622202812
2,81262,08
622202816
2,81662,78
622202908
2,9861,36
622202912
2,91262,04
622202916
2,91662,72
62220308
3,0861,33
62220312
3,01262,00
62220316
3,01662,66
622203108
3,1861,30
622203112
3,11261,95
622203116
3,11662,60
622203208
3,2861,27
622203212
3,21261,91
622203216
3,21662,54
622203308
3,3861,24
622203312
3,31261,86
622203316
3,31662,48
622203408
3,4871,85
622203412
3,41272,77
622203416
3,41673,69
622203508
3,5871,81
622203512
3,51272,72
622203516
3,51673,63
622203608
3,6871,78
622203612
3,61272,67
622203616
3,61673,56
622203708
3,7871,74
622203712
3,71272,61
622203716
3,71673,48
622203808
3,8871,70
622203812
3,81272,56
622203816
3,81673,41
622203908
3,9871,67
622203912
3,91272,50
622203916
3,91673,33
62220408
4,0871,63
62220412
4,01272,44
62220416
4,01673,26
622204108
4,1882,33
622204112
4,11283,49
622204116
4,11684,66
622204208
4,2882,29
622204212
4,21283,43
622204216
4,21684,57
622204308
4,3882,24
622204312
4,31283,37
622204316
4,31684,49
622204408
4,4882,20
622204412
4,41283,30
622204416
4,41684,40
622204508
4,5882,16
622204512
4,51283,24
622204516
4,51684,32
622204608
4,6882,11
622204612
4,61283,17
622204616
4,61684,23
622204708
4,7882,07
622204712
4,71283,10
622204716
4,71684,13
622204808
4,8882,02
622204812
4,81283,03
622204816
4,81684,04
622204908
4,9881,97
622204912
4,91282,96
622204916
4,91683,94
62220508
5,0881,92
62220512
5,01282,89
62220516
5,01683,85
622205110
5,110104,56
622205116
5,116107,30
622205120
5,120109,12
622205210
5,210104,50
622205216
5,216107,20
622205220
5,220109,00
622205310
5,310104,43
622205316
5,316107,09
622205320
5,320108,87
622205410
5,410104,37
622205416
5,416106,99
622205420
5,420108,74
622205510
5,510104,30
622205516
5,516106,88
622205520
5,520108,60
622205610
5,610104,23
622205616
5,616106,77
622205620
5,620108,46
622205710
5,710104,16
622205716
5,716106,66
622205720
5,720108,32
622205810
5,810104,09
622205816
5,816106,55
622205820
5,820108,18
622205910
5,910104,02
622205916
5,916106,43
622205920
5,920108,04
62220610
6,010103,95
62220616
6,016106,31
62220620
6,020107,89
622206110
6,110126,58
622206116
6,1161210,53
622206120
6,1201213,17
622206210
6,210126,51
622206216
6,2161210,41
622206220
6,2201213,02
622206310
6,310126,43
622206316
6,3161210,29
622206320
6,3201212,86
622206410
6,410126,35
622206416
6,4161210,16
622206420
6,4201212,71
622206510
6,510126,27
622206516
6,5161210,04
622206520
6,5201212,55
622206610
6,610126,19
622206616
6,616129,91
622206620
6,6201212,39
622206710
6,710126,11
622206716
6,716129,78
622206720
6,7201212,22
622206810
6,810126,03
622206816
6,816129,64
622206820
6,8201212,05
622206910
6,910125,94
622206916
6,916129,51
622206920
6,9201211,89
62220710
7,010125,86
62220716
7,016129,37
62220720
7,0201211,71
622207110
7,110125,77
622207116
7,116129,23
622207120
7,1201211,54
622207210
7,210125,68
622207216
7,216129,09
622207220
7,2201211,36
622207310
7,310125,59
622207316
7,316128,95
622207320
7,3201211,19
622207410
7,410125,50
622207416
7,416128,80
622207420
7,4201211,00
622207510
7,510125,41
622207516
7,516128,66
622207520
7,5201210,82
622207610
7,610125,32
622207616
7,616128,51
622207620
7,6201210,63
622207710
7,710125,22
622207716
7,716128,36
622207720
7,7201210,45
622207810
7,810125,13
622207816
7,816128,20
622207820
7,8201210,25
622207910
7,910125,03
622207916
7,916128,05
622207920
7,9201210,06
62220810
8,010124,93
62220816
8,016127,89
62220820
8,020129,86
622208112
8,1121511,79
622208120
8,1201519,65
622208125
8,1251524,57
622208212
8,2121511,67
622208220
8,2201519,45
622208225
8,2251524,32
622208312
8,3121511,55
622208320
8,3201519,25
622208325
8,3251524,06
622208412
8,4121511,43
622208420
8,4201519,04
622208425
8,4251523,80
622208512
8,5121511,30
622208520
8,5201518,84
622208525
8,5251523,54
622208612
8,6121511,17
622208620
8,6201518,62
622208625
8,6251523,28
622208712
8,7121511,05
622208720
8,7201518,41
622208725
8,7251523,01
622208812
8,8121510,92
622208820
8,8201518,20
622208825
8,8251522,74
622208912
8,9121510,79
622208920
8,9201517,98
622208925
8,9251522,47
62220912
9,0121510,65
62220920
9,0201517,76
62220925
9,0251522,20
622209112
9,1121510,52
622209120
9,1201517,53
622209125
9,1251521,92
622209212
9,2121510,38
622209220
9,2201517,31
622209225
9,2251521,63
622209312
9,3121510,25
622209320
9,3201517,08
622209325
9,3251521,35
622209412
9,4121510,11
622209420
9,4201516,85
622209425
9,4251521,06
622209512
9,512159,97
622209520
9,5201516,62
622209525
9,5251520,77
622209612
9,612159,83
622209620
9,6201516,38
622209625
9,6251520,48
622209712
9,712159,69
622209720
9,7201516,14
622209725
9,7251520,18
622209812
9,812159,54
622209820
9,8201515,90
622209825
9,8251519,88
622209912
9,912159,40
622209920
9,9201515,66
622209925
9,9251519,57
62221012
10,012159,25
62221020
10,0201515,41
62221025
10,0251519,27
622210112
10,1121816,42
622210120
10,1201827,37
622210125
10,1251834,22
622210212
10,2121816,27
622210220
10,2201827,12
622210225
10,2251833,90
622210312
10,3121816,12
622210320
10,3201826,87
622210325
10,3251833,59
622210412
10,4121815,97
622210420
10,4201826,61
622210425
10,4251833,27
622210512
10,5121815,81
622210520
10,5201826,36
622210525
10,5251832,95
622210612
10,6121815,66
622210620
10,6201826,10
622210625
10,6251832,62
622210712
10,7121815,50
622210720
10,7201825,83
622210725
10,7251832,29
622210812
10,8121815,34
622210820
10,8201825,57
622210825
10,8251831,96
622210912
10,9121815,18
622210920
10,9201825,30
622210925
10,9251831,63
62221112
11,0121815,02
62221120
11,0201825,03
62221125
11,0251831,29
622211112
11,1121814,86
622211120
11,1201824,76
622211125
11,1251830,95
622211212
11,2121814,69
622211220
11,2201824,48
622211225
11,2251830,60
622211312
11,3121814,52
622211320
11,3201824,21
622211325
11,3251830,26
622211412
11,4121814,36
622211420
11,4201823,93
622211425
11,4251829,91
622211512
11,5121814,19
622211520
11,5201823,64
622211525
11,5251829,56
622211612
11,6121814,02
622211620
11,6201823,36
622211625
11,6251829,20
622211712
11,7121813,84
622211720
11,7201823,07
622211725
11,7251828,84
622211812
11,8121813,67
622211820
11,8201822,78
622211825
11,8251828,48
622211912
11,9121813,49
622211920
11,9201822,49
622211925
11,9251828,11
62221212
12,0121813,32
62221220
12,0201822,20
62221225
12,0251827,74
622212116
12,1162233,30
622212128
12,1282258,28
622212136
12,1362274,93
622212216
12,2162233,06
622212228
12,2282257,86
622212236
12,2362274,39
622212316
12,3162232,82
622212328
12,3282257,44
622212336
12,3362273,85
622212416
12,4162232,58
622212428
12,4282257,01
622212436
12,4362273,30
622212516
12,5162232,33
622212528
12,5282256,58
622212536
12,5362272,75
622212616
12,6162232,08
622212628
12,6282256,15
622212636
12,6362272,19
622212716
12,7162231,83
622212728
12,7282255,71
622212736
12,7362271,63
622212816
12,8162231,58
622212828
12,8282255,27
622212836
12,8362271,06
622212916
12,9162231,33
622212928
12,9282254,83
622212936
12,9362270,49
62221316
13,0162231,07
62221328
13,0282254,38
62221336
13,0362269,92
622213116
13,1162230,82
622213128
13,1282253,93
622213136
13,1362269,34
622213216
13,2162230,56
622213228
13,2282253,47
622213236
13,2362268,75
622213316
13,3162230,30
622213328
13,3282253,02
622213336
13,3362268,16
622213416
13,4162230,03
622213428
13,4282252,56
622213436
13,4362267,57
622213516
13,5162229,77
622213528
13,5282252,09
622213536
13,5362266,97
622213616
13,6162229,50
622213628
13,6282251,62
622213636
13,6362266,37
622213716
13,7162229,23
622213728
13,7282251,15
622213736
13,7362265,77
622213816
13,8162228,96
622213828
13,8282250,68
622213836
13,8362265,16
622213916
13,9162228,69
622213928
13,9282250,20
622213936
13,9362264,54
62221416
14,0162228,41
62221428
14,0282249,72
62221436
14,0362263,92
622214116
14,1162228,13
622214128
14,1282249,23
622214136
14,1362263,30
622214216
14,2162227,85
622214228
14,2282248,74
622214236
14,2362262,67
622214316
14,3162227,57
622214328
14,3282248,25
622214336
14,3362262,04
622214416
14,4162227,29
622214428
14,4282247,76
622214436
14,4362261,40
622214516
14,5162227,00
622214528
14,5282247,26
622214536
14,5362260,76
622214616
14,6162226,72
622214628
14,6282246,76
622214636
14,6362260,11
622214716
14,7162226,43
622214728
14,7282246,25
622214736
14,7362259,46
622214816
14,8162226,14
622214828
14,8282245,74
622214836
14,8362258,81
622214916
14,9162225,84
622214928
14,9282245,23
622214936
14,9362258,15
62221516
15,0162225,55
62221528
15,0282244,71
62221536
15,0362257,49
622215116
15,1162644,19
622215128
15,1282677,34
622215136
15,1362699,43
622215516
15,5162642,99
622215528
15,5282675,22
622215536
15,5362696,72
62221616
16,0162641,43
62221628
16,0282672,50
62221636
16,0362693,22
622216116
16,1162641,11
622216128
16,1282671,95
622216136
16,1362692,51
622216516
16,5162639,83
622216528
16,5282669,70
622216536
16,5362689,61
62221716
17,0162638,18
62221728
17,0282666,81
62221736
17,0362685,90
622217516
17,5162636,47
622217528
17,5282663,83
622217536
17,5362682,07
62221816
18,0162634,72
62221828
18,0282660,77
62221836
18,0362678,13
622218520
18,5203068,77
622218536
18,53630123,79
622218545
18,54530154,74
62221920
19,0203066,46
62221936
19,03630119,63
62221945
19,04530149,54
622219520
19,5203064,09
622219536
19,53630115,36
622219545
19,54530144,20
62222020
20,0203061,65
62222036
20,03630110,98
62222045
20,04530138,72
622220520
20,5203059,16
622220536
20,53630106,48
622220545
20,54530133,10
62222120
21,0203056,60
62222136
21,03630101,88
62222145
21,04530127,35
622221520
21,5203053,98
622221536
21,5363097,16
622221545
21,54530121,45
62222220
22,0203051,30
62222236
22,0363092,33
62222245
22,04530115,42
622222520
22,5203588,63
622222536
22,53635159,53
622222545
22,54535199,41
62222320
23,0203585,82
62222336
23,03635154,48
62222345
23,04535193,10
622223520
23,5203582,96
622223536
23,53635149,32
622223545
23,54535186,65
62222420
24,0203580,03
62222436
24,03635144,05
62222445
24,04535180,06
622224520
24,5203577,04
622224536
24,53635138,67
622224545
24,54535173,33
62222520
25,0203573,98
62222536
25,03635133,17
62222545
25,04535166,47
622225520
25,5203570,87
622225536
25,53635127,57
622225545
25,54535159,46
62222620
26,0203567,70
62222636
26,03635121,85
62222645
26,04535152,32
622226525
26,52542163,65
622226545
26,54542294,57
622226556
26,55642366,58
62222725
27,02542159,53
62222745
27,04542287,15
62222756
27,05642357,35
622227525
27,52542155,33
622227545
27,54542279,59
622227556
27,55642347,94
62222825
28,02542151,05
62222845
28,04542271,89
62222856
28,05642338,36
622228525
28,52542146,70
622228545
28,54542264,06
622228556
28,55642328,60
62222925
29,02542142,27
62222945
29,04542256,08
62222956
29,05642318,68
622229525
29,52542137,76
622229545
29,54542247,96
622229556
29,55642308,58
62223025
30,02542133,17
62223045
30,04542239,71
62223056
30,05642298,31
622230525
30,52548211,74
622230545
30,54548381,14
622230556
30,55648474,30
62223125
31,02548207,00
62223145
31,04548372,61
62223156
31,05648463,69
622231525
31,52548202,19
622231545
31,54548363,94
622231556
31,55648452,90
62223225
32,02548197,29
62223245
32,04548355,13
62223256
32,05648441,94
622232525
32,52548192,32
622232545
32,54548346,18
622232556
32,55648430,80
62223325
33,02548187,27
62223345
33,04548337,09
62223356
33,05648419,49
622233525
33,52548182,15
622233545
33,54548327,87
622233556
33,55648408,01
62223425
34,02548176,95
62223445
34,04548318,50
62223456
34,05648396,36
622234525
34,52548171,67
622234545
34,54548309,00
622234556
34,55648384,54
62223525
35,02548166,31
62223545
35,04548299,36
62223556
35,05648372,54
62223630
36,03055319,80
62223656
36,05655596,96
62223667
36,06755714,22
62223730
37,03055306,30
62223756
37,05655571,75
62223767
37,06755684,06
62223830
38,03055292,42
62223856
38,05655545,86
62223867
38,06755653,08
62223930
39,03055278,18
62223956
39,05655519,27
62223967
39,06755621,27
62224030
40,03055263,57
62224056
40,05655492,00
62224067
40,06755588,64
62224130
41,03055248,59
62224156
41,05655464,03
62224167
41,06755555,18
62224230
42,03055233,24
62224256
42,05655435,38
62224267
42,06755520,90


zur Gruppe


Impressum AGB Hilfe Datenschutzerklärung Index


MÄDLER on Facebook Facebook MÄDLER on Youtube YouTube MÄDLER on X X MÄDLER on Instagram Instagram MÄDLER on Xingk Xing MÄDLER on Linkedin LinkedIn