Werkstoff: Gehäuse aus Zinkdruckguss ZnAI4Cu1.
Wellen aus Edelstahl 1.4301 (V2A), demontierbar.
Kegelräder aus Polyacetal gespritzt, verstiftet.

• Offene Winkelgetriebe 1:1.
• Geeignet für geringe Belastung und gelegentlichen Betrieb.
• Rostfreie Wellen direkt im Gehäuse selbstschmierend gleitgelagert.
• Einfach zu montieren und wartungsfrei.
• Zähnezahl 16/16.
• Achswinkel = 90º.
• Betriebstemperatur - 20°C bis +100º C.

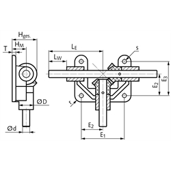
Zwei Wellen mit zwei Kegelrädern. Auf der durchgehenden Welle mit beidseitigen, freien Wellenenden sitzt das Kegelrad rechts von der kurzen Welle. Die Wahl der Eingangswelle und deren Drehrichtung sind beliebig.


Service:

Katalogseite

Zusätzliche Informationen



Die angebotenen CAD-Daten, Abbildungen und technischen Zeichnungen werden mit größtmöglicher Sorgfalt erstellt.
Dennoch kann keine Gewährleistung für die Fehlerfreiheit und Genauigkeit dieser Daten übernommen werden.

( freibleibend aus Lagervorrat / kurzfristig lieferbar / Lieferzeit nach Vereinbarung. Bitte fragen Sie nach. )
Artikel Menge d
[mm]
D
[mm]
E1
[mm]
E2
[mm]
E3
[mm]
HGes
[mm]
HM
[mm]
LE
[mm]
LW
[mm]
r
[mm]
s
[mm]
T
[mm]
Modulzul. MD
[Ncm]
Gewicht
[g]
41035910
5 h91238,819,43218,810501564,8418,384
41035915
8 h91856,828,44528,215702095,851,529250
41035920
10 h62270355537,52090301176273490
41035925
12 h62582416546,8251053512,5972,5145748
41035930
15 h6309547,57556,23012040159832501185
41035935
18 h633108548565,73513545161193,54401680


zur Gruppe


Impressum AGB Hilfe Datenschutzerklärung Index


MÄDLER on Facebook Facebook MÄDLER on Youtube YouTube MÄDLER on X X MÄDLER on Instagram Instagram MÄDLER on Xingk Xing MÄDLER on Linkedin LinkedIn