Werkstoff: Stahl verzinkt, blau passiviert. Auflagepad: Gummi.
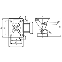
Ermöglicht die Fixierung und Entlastung eines mobilen Gerätes in einer festen Position. Die Montage erfolgt standardmäßig an der Unterseite des Gerätes, entweder neben einer Lenkrolle oder gleichmäßig zwischen zwei Lenkrollen. Bei Betätigung federt der Feststellfuß ca. 10 mm ein. Anpresskraft ca. 60 kg.
Temperaturbereich: -20°C bis +70°C.
Service:
Katalogseite
Zusätzliche Informationen
Die angebotenen CAD-Daten, Abbildungen und technischen Zeichnungen werden mit größtmöglicher Sorgfalt erstellt.
Dennoch kann keine Gewährleistung für die Fehlerfreiheit und Genauigkeit dieser Daten übernommen werden.
Lieferzeit nach Vereinbarung. Bitte fragen Sie nach. )