Werkstoff: Klaue und Kupplungsteil: Vergütungsstahl, vergütet und phosphatiert. Kontermutter: Stahl, schwarz.

Mit Kupplungsschraube.

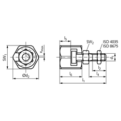
Die Schnellsteckkupplungen ermöglichen ein schnelles und unkompliziertes Verbinden und Trennen von Bauteilen. Zudem können sie betriebsbedingte Radialversätze effizient ausgleichen. Sie sind vielseitig einsetzbar und finden beispielsweise mit Hydraulik- oder Pneumatikzylindern oder beim Werkzeugwechsel in Maschinen Anwendung. Je nach Baugröße können die Kupplungen radiale Abweichungen von bis zu 1 mm zwischen den zu verbindenden Achsen ausgleichen.

Hinweis: Diese Kupplungen übertragen KEINE Drehmomente!


Service:

Katalogseite



Die angebotenen CAD-Daten, Abbildungen und technischen Zeichnungen werden mit größtmöglicher Sorgfalt erstellt.
Dennoch kann keine Gewährleistung für die Fehlerfreiheit und Genauigkeit dieser Daten übernommen werden.

( freibleibend aus Lagervorrat / kurzfristig lieferbar / Lieferzeit nach Vereinbarung. Bitte fragen Sie nach. )
Artikel Menge d1
[mm]
d2
[mm]
≈ l1
[mm]
l2
[mm]
l4
[mm]
l5
[mm]
l6
[mm]
SW1
[mm]
SW2
[mm]
x
[mm]
FN
[kN]
Gewicht
[g]
60781006
M62137,5111491819100,62,544
60781008
M82645,013,51711,522,524130,74,586
60781010
M103056,21620162927170,76,5148
60781010F
M10x1,253056,21620162927170,76,5148
60781012
M1232,566,72125173430190,810209
60781012F
M12x1,2532,566,72125173430190,810209
60781016
M163983,0253023423624118382
60781016F
M16x1,53983,0253023423624118381
60781020
M204493,5293523,545,54130130572
60781020F
M20x1,54493,5293523,545,54130130571


zur Gruppe


Impressum AGB Hilfe Datenschutzerklärung Index


MÄDLER on Facebook Facebook MÄDLER on Youtube YouTube MÄDLER on X X MÄDLER on Instagram Instagram MÄDLER on Xingk Xing MÄDLER on Linkedin LinkedIn