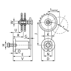
Werkstoff: Gehäuse Sinterstahl bzw. GG20. Hebelarm St52. Kettenrad aus Stahl.

Das Spannelement, ein kontinuierlich spannendes Torsionselement, verlängert die Lebensdauer von Ketten- und Riementrieben um mindestens 30% und reduziert drastisch Unterhalts- und Reparaturarbeiten. Die einmalige Funktionsweise dieser Feder bietet einen langen Spannweg, zumal der Hebelarm in beiden Richtungen bis zu 30 ° vorgespannt werden kann. Die permanente Torsionskraft kompensiert nicht nur automatisch die Kettenlängung, das gummigelagerte Element wirkt auch als Dämpfer von Vibrationen und Schlägen im gesamten Antrieb. Weitere Vorteile: Kettenspur einstellbar, Gummidämpfung, im Winkelbereich von 360 ° einstellbar, Spanndruck stufenlos von "normal" bis" hart" einstellbar. Für beide Spannrichtungen geeignet.

Service:

Katalogseite

Zusätzliche Informationen



Die angebotenen CAD-Daten, Abbildungen und technischen Zeichnungen werden mit größtmöglicher Sorgfalt erstellt.
Dennoch kann keine Gewährleistung für die Fehlerfreiheit und Genauigkeit dieser Daten übernommen werden.

( freibleibend aus Lagervorrat / kurzfristig lieferbar / Lieferzeit nach Vereinbarung. Bitte fragen Sie nach. )
Artikel Menge DIN / ISO - Nr.Teilung
[Zoll]
ZähnezahlTeilkreis-Ø
[mm]
Spannelement
[Größe]
Fmax. bei normal
[N]
Fmax. bei hart
[N]
S max. bei normal
[mm]
S max. bei hart
[mm]
D
[mm]
E
[mm]
G
[mm]
H
[mm]
J
[mm]
K
[mm]
N
[mm]
O
[mm]
R
[mm]
U
[mm]
V
[mm]
W
[mm]
Gewicht
[kg]
14052100
06 B-23/8 x 7/321545,81235044050405878+1,5-0,57M 10303510,539-502385M 100,80
14052500
08 B-21/2 x 5/161561,08235044050405878+1,5-0,57M 10303510,541-482385M 100,80
14052600
10 B-25/8 x 3/81576,3638101050655078108+2-0,58M 1250521550-7127115M 122,30
14052700
12 B-23/4 x 7/161591,6338101050655078108+2-0,58M 1250521551-7027115M 122,75
14052800
16 B-21"x17,02mm13106,1441500187587,57095140+2-0,510M 1660661556-8520153M 205,65


zur Gruppe


Impressum AGB Hilfe Datenschutzerklärung Index


MÄDLER on Facebook Facebook MÄDLER on Youtube YouTube MÄDLER on X X MÄDLER on Instagram Instagram MÄDLER on Xingk Xing MÄDLER on Linkedin LinkedIn