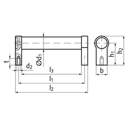
Werkstoff: Griffrohr Ø20mm / Ø28mm x 1,5mm aus Aluminium. Wahlweise naturfarben eloxiert oder schwarz kunststoffbeschichtet RAL 9005 matt. Füße aus Zink-Druckguss schwarz kunststoffbeschichtet RAL 9005 matt. Hohe Stabilität bei kleinen Baumaßen. Rohr wahlweise alu-silber oder schwarz. Griffrohr an den Planseiten verdrehsicher verschraubt (Verschraubung unter abnehmbaren, hellgrauen Kunststoffkappen). Sonderlängen auf Anfrage

Service:

Katalogseite



Die angebotenen CAD-Daten, Abbildungen und technischen Zeichnungen werden mit größtmöglicher Sorgfalt erstellt.
Dennoch kann keine Gewährleistung für die Fehlerfreiheit und Genauigkeit dieser Daten übernommen werden.

( freibleibend aus Lagervorrat / kurzfristig lieferbar / Lieferzeit nach Vereinbarung. Bitte fragen Sie nach. )
Artikel Menge Ausführungl1+0,2
[mm]
d1
[mm]
d2
[mm]
b
[mm]
h1
[mm]
h2
[mm]
l2
[mm]
l3
[mm]
tmin.
[mm]
Gewicht
[g]
66650542
alufarbig18020M624425419216812190
66650544
alufarbig20020M624425421218812200
66650546
alufarbig25020M624425426223812225
66650548
alufarbig30020M624425431228812250
66650550
alufarbig40020M624425441238812300
66650552
alufarbig20028M825506621418615340
66650554
alufarbig25028M825506626423615360
66650556
alufarbig30028M825506631428615380
66650558
alufarbig40028M825506641438615440
66650560
alufarbig50028M825506651448615480
66650562
alufarbig60028M825506661458615520
66650572
schwarz18020M624425419216812190
66650574
schwarz20020M624425421218812200
66650576
schwarz25020M624425426223812225
66650578
schwarz30020M624425431228812250
66650580
schwarz40020M624425441238812300
66650582
schwarz20028M825506621418615340
66650584
schwarz25028M825506626423615360
66650586
schwarz30028M825506631428615380
66650588
schwarz40028M825506641438615440
66650590
schwarz50028M825506651448615480
66650592
schwarz60028M825506661458615520


zur Gruppe


Impressum AGB Hilfe Datenschutzerklärung Index


MÄDLER on Facebook Facebook MÄDLER on Youtube YouTube MÄDLER on X X MÄDLER on Instagram Instagram MÄDLER on Xingk Xing MÄDLER on Linkedin LinkedIn