Werkstoff: Thermoplast Polyamid 6.6, gespritzt, Farbe natur.
Polyamid ist aufgrund seiner guten Gleiteigenschaften und hohen
Verschleißfestigkeit auch bei Trockenlauf sowie wegen ausreichender
mechanischer Festigkeit und ausgezeichneter Korrosionsbeständigkeit
für Gleitlager sehr gut geeignet.
Flächenpressung: max. 18 N/mm², abhängig von Gleitgeschwindigkeit und Lagertemperatur. Schmierung: Meistens nicht nötig. Gleitgeschwindigkeit: Max. 2 m/s Lagerspiel: ca. 0,01 mm pro mm Wellen-Ø. Lagertemperatur: Dauer-Lagertemperatur max. 80° C. Die Reibungswärme wird bei dünnwandigen Teilen besonders gut abgeleitet. Längenausgleichskoeffizient: 8 x 10^-5. Feuchtigkeitsaufnahme max.: 7,5%. Feuchtigkeitsaufnahme bei 20° C und 50% rel. Feuchte: 2,4%. Aufnahmebohrung: Toleranz H7.

Service:

Katalogseite



Die angebotenen CAD-Daten, Abbildungen und technischen Zeichnungen werden mit größtmöglicher Sorgfalt erstellt.
Dennoch kann keine Gewährleistung für die Fehlerfreiheit und Genauigkeit dieser Daten übernommen werden.

( freibleibend aus Lagervorrat / kurzfristig lieferbar / Lieferzeit nach Vereinbarung. Bitte fragen Sie nach. )
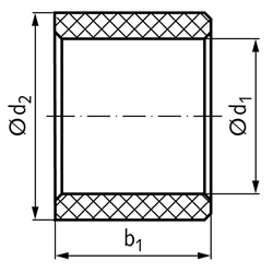
Artikel Menge d1
[mm]
unteres Abmaß d1
[mm]
oberes Abmaß d1
[mm]
d2
[mm]
Abmaß d2
[mm]
b1
[mm]
Gewicht
[g]
62370800
8+0,06+0,112+0,1101
62370900
8+0,06+0,114+0,1101,3
62371100
10+0,08+0,1212+0,1100,5
62371200
10+0,08+0,1214+0,1101
62371300
10+0,08+0,1216+0,12101,5
62371500
12+0,1+0,1414+0,1100,7
62371600
12+0,1+0,1416+0,12101
62371700
12+0,1+0,1418+0,12141
62372100
15+0,12+0,1820+0,12152,5
62372200
15+0,12+0,1822+0,14153,5
62372300
15+0,12+0,1825+0,14155,5
62372500
16+0,13+0,1920+0,12152
62372600
16+0,13+0,1922+0,14153,2
62372700
16+0,13+0,1924+0,14154,2
62373200
20+0,16+0,2324+0,14152,5
62373300
20+0,16+0,2325+0,14153
62373400
20+0,16+0,2326+0,14205
62373500
20+0,16+0,2328+0,15207
62373600
20+0,16+0,2330+0,15209
62374000
25+0,18+0,2530+0,15205
62374100
25+0,18+0,2530+0,15327,8
62374200
25+0,18+0,2532+0,15207
62374300
25+0,18+0,2535+0,182010,5
62374600
28+0,2+0,2832+0,15204,2
62374800
28+0,2+0,2838+0,181911,2
62375000
30+0,21+0,335+0,18205,7
62375100
30+0,21+0,336+0,183010,5
62375200
30+0,21+0,340+0,183018
62375400
32+0,22+0,3236+0,18307,5
62375500
32+0,22+0,3240+0,183015,5
62376200
40+0,24+0,3645+0,24014,5
62376300
40+0,24+0,3648+0,24025
62376400
40+0,24+0,3650+0,24032
62376800
50+0,3+0,4356+0,225043
62376900
50+0,3+0,4360+0,225048,5
62377100
54+0,32+0,4662+0,226048,5
62377400
60+0,34+0,4870+0,246068


zur Gruppe


Impressum AGB Hilfe Datenschutzerklärung Index


MÄDLER on Facebook Facebook MÄDLER on Youtube YouTube MÄDLER on X X MÄDLER on Instagram Instagram MÄDLER on Xingk Xing MÄDLER on Linkedin LinkedIn