Werkstoff: Thermoplast Polybutylenterephthalat, mit Gleitzusätzen (PBT + PTFE), weiß.
Gleitlager-Bundbuchse aus Kunststoff mit hoher Maßgenauigkeit.
Geringe Reibung. Besonders geeignet auch für Trockenlauf und Einsatz bei tiefen bis mittleren Temperaturen.
  • Preiswert, aber mit hoher Maßgenauigkeit.
  • Geringe Reibung, für Trockenlauf und Nasslauf optimiert.
  • Temperaturbereich -50ºC bis + 170ºC.

Betriebsbedingungen:
Trockenlauf: Sehr gut.
Öl-, Fettgeschmiert: Gut.
Wassergeschmiert: Sehr gut.
Einsatzgebiete:
z.B. Haushaltsgeräte, Chemieanlagen, Büromaschinen,Sportgeräte, Fahrzeugbau (Pedale, Lenkungen, Achsen) und vieles mehr.

Service:

Katalogseite



Die angebotenen CAD-Daten, Abbildungen und technischen Zeichnungen werden mit größtmöglicher Sorgfalt erstellt.
Dennoch kann keine Gewährleistung für die Fehlerfreiheit und Genauigkeit dieser Daten übernommen werden.

( freibleibend aus Lagervorrat / kurzfristig lieferbar / Lieferzeit nach Vereinbarung. Bitte fragen Sie nach. )
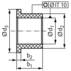
Artikel Menge d1
[mm]
d2
[mm]
d3
[mm]
b1
[mm]
b2
[mm]
r
[mm]
unteres Abmaß d1
[mm]
oberes Abmaß d1
[mm]
Gewicht
[g]
62730805
810155,51,00,3+0,025+0,0830,4
62730807
810157,51,00,3+0,025+0,0830,5
62730810
81015101,00,3+0,025+0,0830,5
62731007
10121871,00,3+0,025+0,0830,6
62731009
10121891,00,3+0,025+0,0830,7
62731012
101218121,00,3+0,025+0,0830,8
62731015
101218151,00,3+0,025+0,0831,0
62731017
101218171,00,3+0,025+0,0831,1
62731207
12142071,00,3+0,032+0,1020,6
62731209
12142091,00,3+0,032+0,1020,8
62731212
121420121,00,3+0,032+0,1021,2
62731215
121420151,00,3+0,032+0,1021,3
62731217
121420171,00,3+0,032+0,1021,4
62731220
121420201,00,3+0,032+0,1021,5
62731412
141622121,00,3+0,032+0,1020,9
62731417
141622171,00,3+0,032+0,1021,5
62731509
15172391,00,3+0,032+0,1021,0
62731512
151723121,00,3+0,032+0,1021,2
62731517
151723171,00,3+0,032+0,1021,5
62731520
151723201,00,3+0,032+0,1021,8
62731612
161824121,00,5+0,032+0,1021,3
62731617
161824171,00,3+0,032+0,1021,7
62731812
182026121,00,5+0,032+0,1021,4
62731817
182026171,00,3+0,032+0,1022,1
62732011
20233011,51,50,5+0,040+0,1242,4
62732016
20233016,51,50,5+0,040+0,1243,2
62732021
20233021,51,50,5+0,040+0,1243,9
62732511
25283511,51,50,5+0,040+0,1242,9
62732516
25283516,51,50,5+0,040+0,1243,9
62732521
25283521,51,50,5+0,040+0,1244,9
62733016
303442162,00,5+0,040+0,1246,4
62733026
303442262,00,5+0,040+0,1249,5
62733040
303442402,00,5+0,040+0,12413,9
62734016
404452162,00,5+0,050+0,1508,4
62734026
404452262,00,5+0,050+0,15012,4
62734050
404452502,00,5+0,050+0,15022,2
62735026
505563262,00,5+0,050+0,15018,8
62735060
505563602,00,5+0,050+0,15040,4
62736050
606573502,00,5+0,050+0,15040,5
62736070
606573702,00,5+0,050+0,15055,6


zur Gruppe


Impressum AGB Hilfe Datenschutzerklärung Index


MÄDLER on Facebook Facebook MÄDLER on Youtube YouTube MÄDLER on X X MÄDLER on Instagram Instagram MÄDLER on Xingk Xing MÄDLER on Linkedin LinkedIn