Werkstoff: Thermoplast Polyphenylensulfid, verstärkt, mit Gleitzusätzen (PPS + PTFE + Aramid), braun.
Gleitlager-Buchse aus technisch hochwertigem Kunststoff.
Sehr geringe Reibung. Besonders geeignet auch für Trockenlauf, für Einsatz unter Wasser und bei hohen Temperaturen.
  • Gute Chemikalien- und Hydrolyse-Beständigkeit.
  • Sehr geringe Reibung, für Trockenlauf optimiert.
  • Hohe Maßgenauigkeit und Dimensionsstabilität.
  • Temperaturbereich -40ºC bis + 240ºC.

Betriebsbedingungen:
Trockenlauf: Sehr gut.
Öl-, Fettgeschmiert: Gut.
Wassergeschmiert: Sehr gut.
Einsatzgebiete:
z.B. Haushaltsgeräte, Fördertechnik, Apparatebau, Spielautomaten, Geldkassetten und vieles mehr.

Service:

Katalogseite



Die angebotenen CAD-Daten, Abbildungen und technischen Zeichnungen werden mit größtmöglicher Sorgfalt erstellt.
Dennoch kann keine Gewährleistung für die Fehlerfreiheit und Genauigkeit dieser Daten übernommen werden.

( freibleibend aus Lagervorrat / kurzfristig lieferbar / Lieferzeit nach Vereinbarung. Bitte fragen Sie nach. )
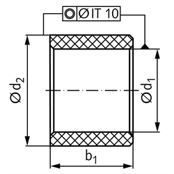
Artikel Menge d1
[mm]
d2
[mm]
b1
[mm]
unteres Abmaß d1
[mm]
oberes Abmaß d1
[mm]
Gewicht
[g]
62700806
8106+0,013+0,0710,2
62700808
8108+0,013+0,0710,3
62700810
81010+0,013+0,0710,4
62700812
81012+0,013+0,0710,5
62700815
81015+0,013+0,0710,6
62701004
10124+0,013+0,0710,2
62701006
10126+0,013+0,0710,3
62701008
10128+0,013+0,0710,4
62701010
101210+0,013+0,0710,5
62701015
101215+0,013+0,0710,7
62701020
101220+0,013+0,0711,0
62701210
121410+0,016+0,0860,6
62701212
121412+0,016+0,0860,7
62701215
121415+0,016+0,0860,9
62701220
121420+0,016+0,0861,2
62701415
141615+0,016+0,0861,0
62701420
141620+0,016+0,0861,4
62701425
141625+0,016+0,0861,7
62701515
151715+0,016+0,0861,1
62701520
151720+0,016+0,0861,4
62701525
151725+0,016+0,0861,7
62702015
202315+0,020+0,1042,2
62702020
202320+0,020+0,1042,9
62702030
202330+0,020+0,1044,4
62702515
252815+0,020+0,1042,7
62702520
252820+0,020+0,1043,6


zur Gruppe


Impressum AGB Hilfe Datenschutzerklärung Index


MÄDLER on Facebook Facebook MÄDLER on Youtube YouTube MÄDLER on X X MÄDLER on Instagram Instagram MÄDLER on Xingk Xing MÄDLER on Linkedin LinkedIn