Werkstoff: Edelstahl 1.4301 (V2A).

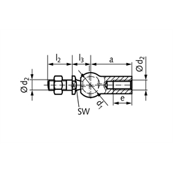
Mit Gewindezapfen und Sechskantmutter.
Rechtsgewinde in der Kugelpfanne.

Service:

Katalogseite



Die angebotenen CAD-Daten, Abbildungen und technischen Zeichnungen werden mit größtmöglicher Sorgfalt erstellt.
Dennoch kann keine Gewährleistung für die Fehlerfreiheit und Genauigkeit dieser Daten übernommen werden.

( freibleibend aus Lagervorrat / kurzfristig lieferbar / Lieferzeit nach Vereinbarung. Bitte fragen Sie nach. )
Artikel Menge d1H9/h9
[mm]
d2
[mm]
SWh14
[mm]
a+/-0,3
[mm]
e
[mm]
l2+/-0,3
[mm]
l3+/-3
[mm]
Schwenkwinkel
[°]
Auszugskraft F
[N]
Gewicht
[g]
63699305
8M572210,210,29183015,2
63699306
10M682511,512,511184025,2
63699308
13M811301416,513186053,1
63699310
16M10133515,520161880103,8
63699314
19M14x1,5164521,5282018100220,9


zur Gruppe


Impressum AGB Hilfe Datenschutzerklärung Index


MÄDLER on Facebook Facebook MÄDLER on Youtube YouTube MÄDLER on X X MÄDLER on Instagram Instagram MÄDLER on Xingk Xing MÄDLER on Linkedin LinkedIn