Werkstoff: Ausführung GN: Hülse, Kugel und Feder Edelstahl. Ausführung GP: Hülse POM, Kugel und Feder Edelstahl.

* statistischer Mittelwert

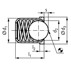
Hinweis Die Druckstücke werden beispielsweise zur Arretierung sowie als An- u. Abdrückstifte verwendet. Temperaturbereich: Ausführung GN: -40° C bis +250° C Ausführung GP: -30° C bis +50° C.

Service:

Katalogseite



Die angebotenen CAD-Daten, Abbildungen und technischen Zeichnungen werden mit größtmöglicher Sorgfalt erstellt.
Dennoch kann keine Gewährleistung für die Fehlerfreiheit und Genauigkeit dieser Daten übernommen werden.

( freibleibend aus Lagervorrat / kurzfristig lieferbar / Lieferzeit nach Vereinbarung. Bitte fragen Sie nach. )
Artikel Menge Ausführungd1 +0,08/-0
[mm]
d2
[mm]
d3
[mm]
l1
[mm]
l2
[mm]
s
[mm]
Federkraft *F1
[N]
*F2
[N]
Gewicht
[g]
65478403
GP32,383,54,00,60,551,73,50,09
65478400
GP43,04,65,01,00,82,56,50,20
65478500
GP54,05,66,01,01,04,59,00,40
65478600
GP65,06,57,01,01,66,513,00,70
65478800
GP86,58,59,01,01,98,0181,50
65479000
GP108,51113,51,52,412233,10
65479200
GP1210,013161,53,313255,80
65499753
GN32,383,54,00,750,71,83,50,20
65499754
GN43,04,65,00,91,02,56,00,35
65499755
GN54,05,66,00,91,43,06,50,60
65499756
GN65,06,57,01,01,85,511,51,00
65499758
GN86,58,59,01,11,97,012,52,20
65499760
GN108,511,013,51,73,38,518,55,30
65499762
GN1210,013,016,02,34,012,026,57,80


zur Gruppe


Impressum AGB Hilfe Datenschutzerklärung Index


MÄDLER on Facebook Facebook MÄDLER on Youtube YouTube MÄDLER on X X MÄDLER on Instagram Instagram MÄDLER on Xingk Xing MÄDLER on Linkedin LinkedIn