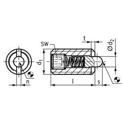
Werkstoff: Edelstahl 1.4305 (V2A). Druckbolzen aus POM, weiß. Feder Edelstahl. Normaler Federdruck.

*statistischer Mittelwert

Hinweis Zur Arretierung sowie als An- und Abdrückstifte. Die Druckstücke können mit dem Innensechskant oder mit dem Schlitz montiert und demontiert werden. Temperaturbereich: -30 ° C bis +50 ° C.

Service:

Katalogseite



Die angebotenen CAD-Daten, Abbildungen und technischen Zeichnungen werden mit größtmöglicher Sorgfalt erstellt.
Dennoch kann keine Gewährleistung für die Fehlerfreiheit und Genauigkeit dieser Daten übernommen werden.

( freibleibend aus Lagervorrat / kurzfristig lieferbar / Lieferzeit nach Vereinbarung. Bitte fragen Sie nach. )
Artikel Menge d1
[mm]
d2
[mm]
l
[mm]
n
[mm]
s
[mm]
t
[mm]
SW
[mm]
Federkraft *F1
[N]
*F2
[N]
Gewicht
[g]
65499654P
M41,5150,61,50,61,34,5160,9
65499655P
M52,4181,22,30,81,56191,5
65499656P
M62,7201,32,50,926192,3
65499658P
M83,5221,531,42,510395
65499660P
M104221,531,4310398,1
65499662P
M126282,7424125314
65499666P
M167,5323,252,554510031
65499670P
M2010403,77365814077
65499674P
M2412523,7103880180143


zur Gruppe


Impressum AGB Hilfe Datenschutzerklärung Index


MÄDLER on Facebook Facebook MÄDLER on Youtube YouTube MÄDLER on X X MÄDLER on Instagram Instagram MÄDLER on Xingk Xing MÄDLER on Linkedin LinkedIn