Werkstoff: Edelstahl 1.4301 (V2A).

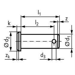
Bolzen zur Übertragung von radialen Kräften mit gelegentlichen Schwenkbewegungen, wie z.B. in Gabelgelenken. Mit Splintloch für einen Einmal-Splint DIN EN ISO 1234 (ex DIN 94) oder Dauersplint (Federstecker). Zur Verwendung mit einer Unterlegscheibe DIN EN ISO 7089 (ex DIN 125 A). Der Splint dient nur zur Sicherung gegen Verlust. Nicht für axiale Belastung.

Service:

Katalogseite



Die angebotenen CAD-Daten, Abbildungen und technischen Zeichnungen werden mit größtmöglicher Sorgfalt erstellt.
Dennoch kann keine Gewährleistung für die Fehlerfreiheit und Genauigkeit dieser Daten übernommen werden.

( freibleibend aus Lagervorrat / kurzfristig lieferbar / Lieferzeit nach Vereinbarung. Bitte fragen Sie nach. )
Artikel Menge d1h11
[mm]
d2h14
[mm]
d3H14
[mm]
l1js15
[mm]
l2+0,5
[mm]
kjs14
[mm]
zk
[mm]
z
[mm]
Gewicht
[g]
63799404
461121010,50,81,3
63799405
5811512,31,50,50,82,6
63799406
691,61815,31,50,514,6
63799408
81222319,521110
63799410
10143,22924,5211,519
63799412
121743529,531,51,534
63799414
141944032,531,51,553
63799416
162044538,23,51,51,572
63799418
182555043,53,51,51,5104
63799420
202855347421,5139
63799425
25346,367595,531,5266
63799428
28346,37263,25,532361
63799430
30366,367595,532383
63799431
30366,37768,25,532428
63799435
354588776,5732677
63799440
40488100906351035
63799442
42488100907351151
63799450
5058101151037361846


zur Gruppe


Impressum AGB Hilfe Datenschutzerklärung Index


MÄDLER on Facebook Facebook MÄDLER on Youtube YouTube MÄDLER on X X MÄDLER on Instagram Instagram MÄDLER on Xingk Xing MÄDLER on Linkedin LinkedIn