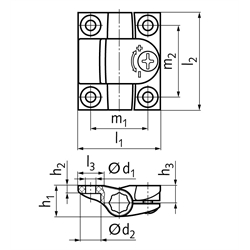
Werkstoff: Polyacetal (POM), schwarz RAL 9005 seidenmatt. Stift Polycarbonat (PC). Stellschraube und Mutter: Edelstahl 1.4305.

Bei diesen nicht aushängbaren Scharnieren kann über eine Stellschraube das Reibmoment eingestellt werden. Dauertests haben ergeben, dass sich das Reibmoment auch nach 60.000 Öffnungs- / Schließzyklen kaum verändert hat (bei 0,8 Nm Auszugsmoment der Stellschraube). Temperaturbeständig bis +65°C. Brennbarkeitsklasse UL 94-HB.

1) Anzugsdrehmoment für passende Schraube in d1.

2) Max. Axialkraft.

3) Max. Radialkraft bei Öffnungswinkel 90°.

Das sind unverbindliche Richtwerte unter Ausschluss jeglicher Haftung.

Service:

Katalogseite

Zusätzliche Informationen



Die angebotenen CAD-Daten, Abbildungen und technischen Zeichnungen werden mit größtmöglicher Sorgfalt erstellt.
Dennoch kann keine Gewährleistung für die Fehlerfreiheit und Genauigkeit dieser Daten übernommen werden.

( freibleibend aus Lagervorrat / kurzfristig lieferbar / Lieferzeit nach Vereinbarung. Bitte fragen Sie nach. )
Artikel Menge l1
[mm]
l2
[mm]
d1
[mm]
MA1)
[Nm]
d2
[mm]
h1
[mm]
h2
[mm]
h3
[mm]
l3
[mm]
m1
[mm]
m2
[mm]
Reibmoment
[Nm]
FA2)
[N]
FR3)
[N]
Gewicht
[g]
67700281
37434,519143,57,511,525,531,71,470050015
67700282
57646,5312,5216,511,517,53847,541500150049


zur Gruppe


Impressum AGB Hilfe Datenschutzerklärung Index


MÄDLER on Facebook Facebook MÄDLER on Youtube YouTube MÄDLER on X X MÄDLER on Instagram Instagram MÄDLER on Xingk Xing MÄDLER on Linkedin LinkedIn