Werkstoff: NBR, schwarz, 70º +/-5º Shore A.

Ölbeständige Gummiunterlage zum Einclipsen in die Bohrungen der MÄDLER® Maschinenfüße mit oder ohne Abreißsicherung. Die Unterseite ist mit kleinen Noppen versehen. Diese Gummiunterlage ermöglicht ein rutschfestes, vibrationsgedämpftes Aufstellen der Maschinenfüße. Nur für Anwendungen, bei denen es nicht erforderlich ist, die Maschinenfüße am Boden festzuschrauben.

Service:

Katalogseite



Die angebotenen CAD-Daten, Abbildungen und technischen Zeichnungen werden mit größtmöglicher Sorgfalt erstellt.
Dennoch kann keine Gewährleistung für die Fehlerfreiheit und Genauigkeit dieser Daten übernommen werden.

( freibleibend aus Lagervorrat / kurzfristig lieferbar / Lieferzeit nach Vereinbarung. Bitte fragen Sie nach. )
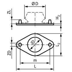
Artikel Menge D
[mm]
L
[mm]
L2
[mm]
H2
[mm]
ID
[mm]
m
[mm]
ZD
[mm]
ZL
[mm]
Gewicht
[g]
68594099
488150236686,43,55
68594599
6010660346908,5911
68595099
77128773601109,2615
68595299
821288236511011,2917
68595599
921389536411010,7924
68596099
10617210848214614,2940
68596599
10819011249016016,71150
68597099
12118812249215813,7944
68597599
144216144411018614,21063


zur Gruppe


Impressum AGB Hilfe Datenschutzerklärung Index


MÄDLER on Facebook Facebook MÄDLER on Youtube YouTube MÄDLER on X X MÄDLER on Instagram Instagram MÄDLER on Xingk Xing MÄDLER on Linkedin LinkedIn