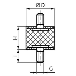
Werkstoff: Metallteile: Stahl, verzinkt. Elastomer: Naturkautschuk, schwarz, Härte 55º +/-5º Shore A.

Metall-Gummipuffer sind einfache und preiswerte Standard-Elemente für elastische Lagerungen. Bei Schubbeanspruchung sind sie wesentlich geringer belastbar als bei Druckbeanspruchung. Dies ist zu berücksichtigen beim Auftreten horizontaler Massenkräfte bzw. bei auftretendem Riemenzug. Die verarbeiteten Gummiqualitäten haben beste physikalische Eigenschaften. Temperaturbeständig bis 80°C.

*Fzul.: Zugspannung im Gummi ist zu vermeiden.

Service:

Katalogseite



Die angebotenen CAD-Daten, Abbildungen und technischen Zeichnungen werden mit größtmöglicher Sorgfalt erstellt.
Dennoch kann keine Gewährleistung für die Fehlerfreiheit und Genauigkeit dieser Daten übernommen werden.

( freibleibend aus Lagervorrat / kurzfristig lieferbar / Lieferzeit nach Vereinbarung. Bitte fragen Sie nach. )
Artikel Menge D
[mm]
H
[mm]
G
[mm]
I
[mm]
Druck Federrate CD mittel
[N/mm]
Zul. Druckbelastung F zul.*
[N]
Schub Federrate CS mittel
[N/mm]
Zul. Schubbelastung F zul.*
[N]
Gewicht
[g]
68528000
88M3630359101
68528100
1010M41044439153,2
68528300
1015M41029435153,9
68528600
157M4101749529355,8
68528700
158M4101609527356
68528800
1510M4101249524356,4
68528900
1520M413549510357
68529000
1515M410619513357,8
68530100
208M618307170366015
68530200
2010M618150170406015
68530400
2015M618130170246020
68530420
2020M618100170206019
68530425
2025M61870170136020
68530500
2520M61885170176030
68530700
2510M618750280749520
68530715
2515M618140280259527,5
68530725
2525M618600280379532
68530730
2530M61871280179540
68530800
3015M8205254005814037
68530900
3020M8202044004014056
68530925
3025M8201804003314058
68531100
3030M8201084002514065
68531110
3040M820854001814064
68531120
4015M8203806509025079
68531123
4025M8232706506025084
68531128
4025M10282706506025090
68531200
4030M82321365043250102
68531230
4030M102821365040250105
68531300
4040M82314065022250115
68531500
5020M10288571000110400141
68531400
5025M1028583100084400155
68531600
5030M1028375100066400163
68531700
5040M1028260100053400178
68532400
5045M1033215100043400208
68531750
5050M1028200100039400199
68531760
6040M1028390150060550231
68531770
7045M1028450180070750401
68531800
7525M123727102300211850369
68531840
7540M12377342300117850420
68531900
7550M1237506230091850483
68532000
7555M1237417230078850514
68532200
10030M1642380042003101600630
68532100
10040M1642197042002571600715
68532150
10050M164290042001601600800
68532155
10055M164289242001451600845
68532300
10060M164280942001361600890
68532500
10075M1642750420011016001295


zur Gruppe


Impressum AGB Hilfe Datenschutzerklärung Index


MÄDLER on Facebook Facebook MÄDLER on Youtube YouTube MÄDLER on X X MÄDLER on Instagram Instagram MÄDLER on Xingk Xing MÄDLER on Linkedin LinkedIn