Werkstoff: Gabel: Stahlblech, verzinkt.
Lauffläche: Thermoplastischer Gummi TPE, grau, elektrisch leitfähig und antistatisch (104 Ω).
Radkörper: Kunststoff, verschraubt.
Radlagerung: Kugellager.
Schwenklagerung: Zweifacher Kugelkranz.

Für den Innenbereich. Geräuscharmer Lauf bei geringem Roll- und Schwenkwiderstand. Spurlos. Der Laufbelag ist leicht ölhaltig und kann bei empfindlichem Untergrund zu Kontaktverfärbungen führen.

Temperaturbereich: -20°C bis +60°C.

Hinweis zu elektrischer Antistatik und Leitfähigkeit: Als antistatisch werden Rädern und Rollen bezeichnet, deren Ohmscher Widerstand 107 Ω oder weniger beträgt. Als elektrisch leitfähig werden Rädern und Rollen bezeichnet, deren Ohmscher Widerstand 104 Ω oder weniger beträgt, also geringer ist als bei einer rein antistatischen Variante. Elektrisch leitfähige Rädern und Rollen sind somit auch antistatisch.

Service:

Katalogseite

Zusätzliche Informationen



Die angebotenen CAD-Daten, Abbildungen und technischen Zeichnungen werden mit größtmöglicher Sorgfalt erstellt.
Dennoch kann keine Gewährleistung für die Fehlerfreiheit und Genauigkeit dieser Daten übernommen werden.

( freibleibend aus Lagervorrat / kurzfristig lieferbar / Lieferzeit nach Vereinbarung. Bitte fragen Sie nach. )
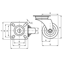
Artikel Menge D
[mm]
B
[mm]
H
[mm]
A
[mm]
R
[mm]
d
[mm]
P
[mm]
M
[mm]
N
[mm]
Tragkraft
[kg]
Gewicht
[kg]
Passende Bockrolle
[Artikel-Nr.]
77710050EL
50187326516,3544034500,1877712050EL
77710075EL
75241033875,56,3604838600,2877712075EL


zur Gruppe


Impressum AGB Hilfe Datenschutzerklärung Index


MÄDLER on Facebook Facebook MÄDLER on Youtube YouTube MÄDLER on X X MÄDLER on Instagram Instagram MÄDLER on Xingk Xing MÄDLER on Linkedin LinkedIn