Werkstoff: Stahl C45. Verzahnung induktiv gehärtet (ca. 50 HRC). Zähne gefräst, Bohrungen vorgebohrt.

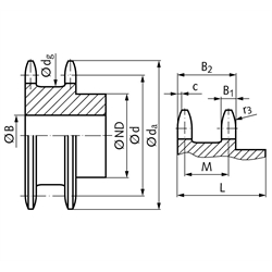
Verwendung: Doppel-Kettenräder mit Nabe zum Antrieb von Rollenbahnen oder ähnlichem, wo die Kraftübertragung von einer Antriebskette auf eine parallel laufende, versetzte Abtriebskette übertragen werden muss. Allgemeine Abmessungen: B1 = max. 16,2 mm, B2 = 58 mm, c = 2,5 mm, r3 = 26 mm. Weitere Abmessungen siehe Tabelle.


Service:

Katalogseite



Die angebotenen CAD-Daten, Abbildungen und technischen Zeichnungen werden mit größtmöglicher Sorgfalt erstellt.
Dennoch kann keine Gewährleistung für die Fehlerfreiheit und Genauigkeit dieser Daten übernommen werden.

( freibleibend aus Lagervorrat / kurzfristig lieferbar / Lieferzeit nach Vereinbarung. Bitte fragen Sie nach. )
Artikel Menge Zähnezahlda
[mm]
d
[mm]
B
[mm]
dg
[mm]
ND
[mm]
L
[mm]
M
[mm]
Gewicht
[kg]
12888512
12109,098,142069728341,83,05
12888513
13117,0106,122077808341,83,73
12888514
14125,0114,152085888341,84,47
12888515
15133,0122,172093968341,85,29
12888516
16141,0130,20251011048341,86,07
12888517
17149,0138,22251091128341,87,02
12888518
18157,0146,28251171208341,88,02
12888519
19165,2154,33301251288341,89,01
12888521
21181,2170,43301411309341,810,78


zur Gruppe


Impressum AGB Hilfe Datenschutzerklärung Index


MÄDLER on Facebook Facebook MÄDLER on Youtube YouTube MÄDLER on X X MÄDLER on Instagram Instagram MÄDLER on Xingk Xing MÄDLER on Linkedin LinkedIn